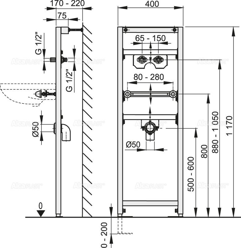
ნიჟარისა და შემრევისთვის განკუთვნილი სამონტაჟო ჩარჩო

A104A/1200

КодEANТехнический лист
A104A/12008595580500627Technický list